船用日標短系列法蘭蝶閥JIS F7480
船用日標短系列法蘭蝶閥JIS F7480系列日標蝶閥的主要結構特征為對夾式和法蘭式三偏心密封形式,閥座密封圈采用彈性密封和軟硬兼容的多層次密封兩種結構,其密封性能可靠,確保開啟時蝶板不接觸密封座,消除了密封座不均勻負載,延長了使用壽命,確保可靠的密封性能。具有耐高溫、耐磨損、耐腐蝕等優點。廣泛應用于石油、化工及船舶等管道上。
船用日標短系列法蘭蝶閥JIS F7480主要構件
主要由閥體、閥桿、蝶板和密封圈組成。閥體呈圓筒形,軸向長度短,內置蝶板。
船用日標短系列法蘭蝶閥JIS F7480特點
1、蝶閥具有結構簡單、體積小、重量輕、材料耗用省,安裝尺寸小,開關迅速、90°往復回轉,驅動力矩小等特點,用于截斷、接通、調節管路中的介質,具有良好的流體控制特性和關閉密封性能。
2、蝶閥可以運送泥漿,在管道口積存液體最少。 低壓下,可以實現良好的密封。 調節性能好。
3、蝶板的流線型設計,使流體阻力損失小,可謂是一種節能型產品。
4、閥桿為通桿結構,經過調質處理,有良好的綜合力學性能和抗腐蝕性,抗擦傷性。蝶閥啟閉時閥桿只作旋轉運動而不作升降運行,閥桿的填料不易破壞,密封可靠。與蝶板錐銷固定,外伸端為防沖出型設計,以免在閥桿與蝶板連接處意外斷裂時閥桿崩出。
5、 連接方式有法蘭連接、對夾連接、對焊連接及凸耳對夾連接。 驅動形式有手動、蝸輪傳動、電動、 氣動、液動、電液聯動等執行機構,可實現遠距離控制和自動化操作。
優點
1、啟閉方便迅速、省力、流體阻力小,可以經常操作。
2、結構簡單,外形尺寸小,結構長度短,體積小,重量輕,適用于大口徑的閥門。
3、可以運送泥漿,在管道口積存液體最少。
4、低壓下,可以實現良好的密封。
5、調節性能好。
6、全開時閥座通道有效流通面積較大,流體阻力較小。
7、啟閉力矩較小,由于轉軸兩側蝶板受介質作用基本相等,而產生轉矩的方向相反,因而啟閉較省力。
8、密封面材料一般采用橡膠、塑料、故低壓密封性能好。
9、安裝方便。
10、操作靈活省力,可選擇手動、電動、氣動、液壓方式。
缺點
1、使用壓力和工作溫度范圍小。
2、密封性較差。 蝶閥按結構形式可分為偏置板式、垂直板式、斜板式和杠桿式。 按密封形式可軟密封型和硬密封型兩種。軟密封型一般采用橡膠環密封,硬密封型通常采用金屬環密封。
按連接型式可分為法蘭連接和對夾式連接;按傳動方式可分為手動、齒輪傳動、氣動、液動和電動幾種。
船用日標短系列法蘭蝶閥JIS F7480采用標準
設計標準:API609-83 法蘭連接尺寸:JIS B2212 JIS B2213 JIS B2214 結構長度:JIS B2002-1987
壓力試驗:JIS B2003-1987
驅動形式:手柄、蝸輪、氣動、電動等
船用日標短系列法蘭蝶閥JIS F7480主要參數
|
公稱通徑 |
DN |
830W |
830L |
|
2″~36″ |
2″~36″ |
|
公稱壓力 |
PN |
10K |
20K |
|
試驗壓力 |
強度實驗 |
1.5 |
3.0 |
|
密封實驗 |
1.1 |
2.2 |
|
適用介質 |
水、海水、蒸汽、油品等 |
|
適用溫度 |
-29~425℃ |
船用日標短系列法蘭蝶閥JIS F7480材料表
|
零件名稱 |
材料 |
|
閥體 |
WCB、304、316、316SS、CF8M |
|
閥板 |
WCB、304、316、316SS、CF8M |
|
閥桿 |
316、2Cr13、1Cr18Ni9Ti |
|
密封圈 |
316、氟塑料 |
|
填料 |
柔性石墨、氟塑料 |
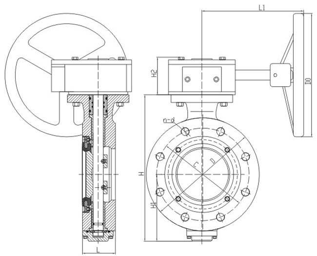
船用日標短系列法蘭蝶閥JIS F7480結構圖與尺寸表


聲明:
本文中所有文字、數據、圖片均只適用于參考。需要查看更多的船用日標短系列法蘭蝶閥JIS F7480性能參數、結構尺寸參數、價格等詳情,或要求高質量印刷樣本,請聯系我們。
· 電話:18717746989
· 郵箱:sales@shczvalve.com
承質訂貨須知:
一、A:產品名稱、型號、公稱通徑B:介質及溫度、壓力范圍C:是否有附件、交貨期、特殊要求等以便我們的為您正確選型。
二、若已經由設計單位選定我公司的閥門型號,請您根據閥門參數直接與我們銷售中心訂購。
三、當您使用的場合非常重要或環境比較復雜時,請您提供設計圖紙和詳細參數,我們的工程師專家會為您審核與分析。我們可以為您提供解決方案,包括設計、定做、成套、運行、服務。我們一直致力于閥門行業領域,為您提供船用閥門知識、服務、技術顧問。
感謝您訪問我們的網站【m.ib-sh.com】,如有任何疑問,您可以致電給我們,我們一定會盡心盡力為您提供服務。本廠提供船用蝶閥、船用閘閥、船用止回閥、船用調節閥、船用減壓閥、船用呼吸閥、高速透氣閥、船用快關閥、船用自閉閥、船用旋塞閥、船用消防閥、船用通海閥、船用防浪閥、船用濾器、船用空氣帽、船用球閥、船用截止閥、船用截止止回閥、船用閥組、船用截止閥箱、船用針型閥、船用電磁閥、船用隔膜閥、船用壓力表閥等各類船用閥門,不銹鋼閥門。