|
|
氣動保溫球閥 |
|
QB641F |
|
|
氣動 |
|
對夾式,法蘭 |
|
|
夾套 |
|
軟密封,硬密封 |
|
|
1.6MPa-6.4MPa |
|
DN20-200 |
|
|
鑄鋼,鍛鋼,不銹鋼等 |
|
承質品牌 |
氣動保溫球閥/氣動保溫夾套球閥采用一體化結構執行器:執行器形式、控制方式、控制信號(4-20MA)、作用方式(氣-開式,氣-關式)該產品具有良好的保溫保冷特性,且閥門的通徑和管徑一至,介質呈直線流動,阻力小,最適合容易凝固、高粘度的液體介質。同時又能有效降低管路中介質的熱量損失。整體式夾套設計,更能均勻地保溫、保冷。夾套、閥體外側與夾套接管焊接,允許蒸汽或冷水的最高壓力為1MPa。主要用于石油、化工、制藥、食品等各類系統中,以輸送常溫下會凝固的高粘度介質。


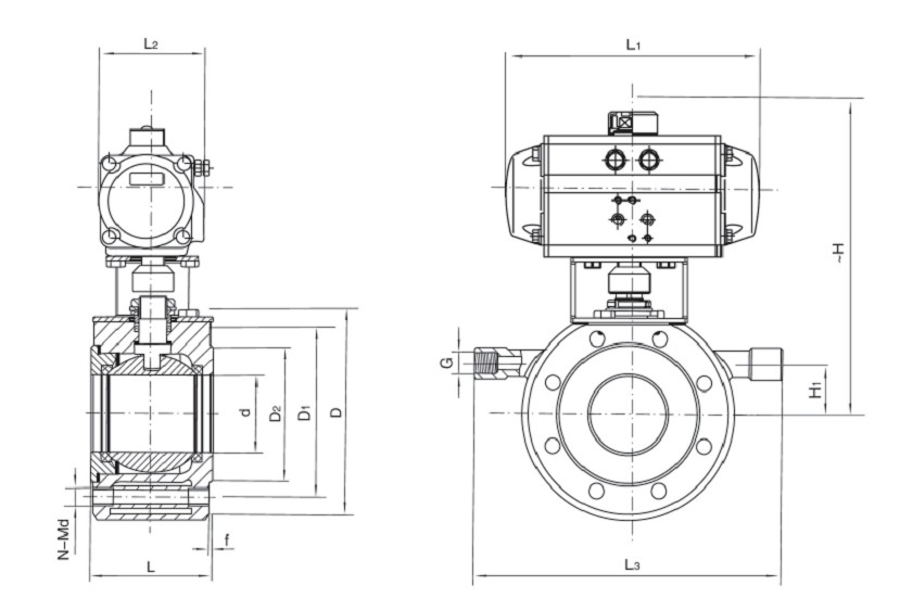
| 規格 | 外形尺寸 | 連接法蘭尺寸 | 執行器型號 | |||||||||||||
| d | L | L1 | L2 | L3 | ~H | H1 | D | D1 | D2 | G | f | N-Md | ||||
| DN15 | 15 | 35 | 141/159 | 71/83 | 150 | 177/208 | 15 | 95 | 65 | 46 | 1/2" | 2 | 4-M12 | AT050D/AT063S | ||
| DN20 | 20 | 42 | 141/159 | 71/83 | 160 | 182/213 | 20 | 105 | 75 | 56 | 1/2" | 2 | 4-M12 | AT050D/AT063S | ||
| DN25 | 25 | 48 | 141/211 | 71/95 | 190 | 187/230 | 20 | 115 | 85 | 65 | 1/2" | 2 | 4-M12 | AT050D/AT075S | ||
| DN32 | 29 | 55 | 159/211 | 83/95 | 210 | 223/243 | 25 | 140 | 100 | 76 | 1/2" | 3 | 4-M16 | AT063D/AT075S | ||
| DN40 | 38 | 65 | 211/248 | 95/107 | 230 | 231/261 | 30 | 150 | 110 | 84 | 1/2" | 3 | 4-M16 | AT075D/AT088S | ||
| DN50 | 46 | 75 | 248/269 | 107/123 | 250 | 258/293 | 30 | 165 | 125 | 99 | 1/2" | 3 | 4-M16 | AT088D/AT100S | ||
| DN65 | 62 | 95 | 248/315 | 107/141 | 270 | 273/298 | 45 | 185 | 145 | 118 | 1/2" | 3 | 4-M16 | AT088D/AT115S | ||
| DN80 | 76 | 118 | 269/345 | 123/152 | 300 | 303/325 | 50 | 200 | 160 | 132 | 1/2" | 3 | 8-M16 | AT100D/AT125S | ||
| DN100 | 92 | 140 | 245/409 | 152/172 | 340 | 333/390 | 70 | 220 | 180 | 156 | 1" | 3 | 8-M16 | AT125D/AT145S | ||
| DN125 | 110 | 200 | 409/438 | 172/187 | 360 | 380/468 | 80 | 250 | 210 | 184 | 1" | 3 | 8-M16 | AT145D/AT160S | ||
| DN150 | 145 | 225 | 438/550 | 187/215 | 420 | 432/520 | 95 | 285 | 240 | 211 | 1" | 3 | 8-M20 | AT160D/AT190S | ||
注:連接法蘭尺寸可根據ANSI、JIS標準或用戶要求設計制造。
注:L1數據XXX/XXX分別是氣動執行器雙作用式/單作用式(彈簧復位)。
注:根據不同閥門扭矩、使用介質適配的執行器型號可能有所不同,相關尺寸隨之變化。
|
聲明:【QB641F氣動保溫球閥】規格型號、結構尺寸由上海承質閥門制造有限公司提供,如何選擇適用的QB641F氣動保溫球閥產品,使之在工藝控制中安全可靠、經濟適用,可致電我司銷售部門及技術部門,我們將在最短的時間內為您解答! |