
偏心半球閥,PBQ340H偏心半球閥具有開啟力小,關閉能破除結垢障礙,實現密封性能好等特點,耐磨。偏心半球閥的耐磨腐蝕材質,因而被廣泛的應用在水,蒸汽,污水,石油化工,天然氣,溶液及礦漿等兩相介質,及塵埃氣體等的理想傳輸設備。
偏心半球閥是一種實用操作型的產品,其執行機構上配備液動執行裝置,更方便用戶操作輕便,遠距離自動化操作,發展了半球閥的用途范圍,特別在惡劣的環境下不方便與人工操作或常開動作時,配套自動化電腦操作情況下,半球閥,更為開創了新創意。
|
|
偏心半球閥 |
|
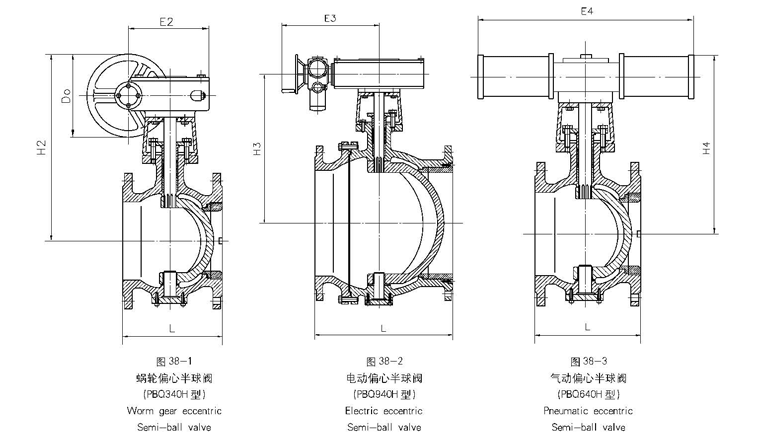
PBQ340H |
|
|
手動,電動,氣動 |
|
法蘭 |
|
|
偏心半 |
|
硬密封,軟密封 |
|
|
1.6MPa-10MPa |
|
DN50-1000 |
|
|
鑄鋼,不銹鋼等 |
|
承質品牌 |
1.設計與制造:GB/T12237
1. 開關方便:啟閉時球面與閥體相脫離,無任何接觸,扭矩小,轉動靈活,啟閉時半球閥座的剪切作用能切去密封面上的結垢及粘連物,能保持密封嚴緊。
2. 直通式:單向密封和偏心式結構,開啟時球與閥體相脫離,流道直通,不會出現卡、堵現象。
3. 閥門屬于硬密封結構,密封副根據不同介質,使用不同的耐磨合金材質,而且還具有堅硬的耐磨性與相應的耐腐蝕性。
4. 密封面的偏心結構使球面能自動補償磨損,保持閥門的密封性,使用壽命長,安全可靠。


| 公稱壓力(Mpa) | 0.6 | 1.0 | 1.6 | 2.5 | 4.0 |
| 公稱通經(mm) | 40-600 | 40-600 | 40-600 | 40-600 | 40-600 |
| 密封試驗壓力(Mpa) | 0.66 | 1.1 | 1.76 | 2.75 | 4.4 |
| 殼體試驗壓力(Mpa) | 0.9 | 1.5 | 2.4 | 3.75 | 6.0 |
| 適用溫度() | -29~300、-29~425、-29~540 | ||||
| 適用介質 | 清水、海水、污水、酸堿等液體、料漿、蒸汽、燃氣、油類 | ||||
| 驅動方式 | 手動、電動、氣動 | ||||
| 連接形式 | 法蘭連接、對夾連接 | ||||
| 安裝方式 | 立式安裝、臥式安裝 | ||||
材料明細表
| 序號 | 名稱及規格 | 材料 |
| 1 | 底蓋 | 25 |
| 2 | 內六角螺栓 | 35CrMo |
| 3 | 墊片 | 柔性石墨 |
| 4 | 閥體 | WCB |
| 5 | 下閥桿 | 2Cr13 |
| 6 | 球體 | WCB |
| 7 | 滑動軸承 | 銅基合金或不銹鋼 |
| 8 | 墊片 | 柔性石墨 |
| 9 | 閥座+堆焊合金鋼 | 25 |
| 10 | 閥座支承 | 25 |
| 11 | 內六角螺栓 | 35CrMo |
| 12 | 鍵 | 40Cr |
| 13 | 上閥桿 | 2Cr13 |
| 14 | 滑動軸承 | 銅基合金或不銹鋼 |
| 15 | 填料墊 | 2Cr13 |
| 16 | 填料 | 柔性石墨 |
| 17 | 填料壓蓋 | WCB |
| 18 | 支架 | WCB |
| 19 | 螺柱 | 35CrMo |
| 20 | 螺母 | 45 |
| 21 | 螺柱 | 35CrMo |
| 22 | 螺母 | 45 |
| 23 | 螺柱 | 35CrMo |
| 24 | 螺母 | 45 |
| 25 | 鍵 | 40Cr |
| 26 | 手動操作器 | 組合件 |
| 閥體 閥蓋 | GB | WCB | ZG1Cr18Ni9Ti | ZG0Cr18Ni12Mo2Ti | ZG15Cr1Mo1V | |||
| ASTM | WCB | CF8 | CF8M | WC9 | ||||
| 球體 | GB | ZG2Cr13 | ZG1Cr18Ni9Ti 表面特殊處理 | ZG0Cr18Ni12Mo2Ti 表面特殊處理 | ZG15Cr1Mo1V 表面特殊處理 | |||
| ASTM | CA15 | CF8+HF | CF8M+HF | WC9+HF | ||||
| 閥桿 | GB | 2Cr13 | 1Cr18Ni9Ti | 0Cr18Ni12Mo2Ti | 25Cr2Mo2V | |||
| ASTM | 420 | 304 | 316 | F22a | ||||
| 閥座 | GB | PTFE | 2Cr13 | PTFE | 1Cr18Ni9Ti | PTFE | 0Cr18Ni12Mo2Ti | D517 |
| ASTM | PTFE | 420 | PTFE | 304 | PTFE | 316 | HF | |
| 填料 | GB | PTFE | 柔性石墨 | PTFE | 柔性石墨 | PTFE | 柔性石墨 | 柔性石墨 |
| ASTM | PTFE | 柔性石墨 | PTFE | 柔性石墨 | PTFE | 柔性石墨 | 柔性石墨 | |
| 螺栓 | GB | 35 | 0Cr18Ni9 | 0Cr18Ni9 | 15Cr1Mo1V | |||
| ASTM | A193 B7 | A320-B8 | A320-B8 | A193 B16 | ||||
| 螺母 | GB | 45 | 0Cr18Ni9 | 0Cr18Ni9 | 20CrMo | |||
| ASTM | A194 2H | A194-8 | A194-8 | A194-4 | ||||


|
聲明:【偏心半球閥 PBQ340H】規格型號、結構尺寸由上海承質閥門制造有限公司提供,如何選擇適用的偏心半球閥 PBQ340H產品,使之在工藝控制中安全可靠、經濟適用,可致電我司銷售部門及技術部門,我們將在最短的時間內為您解答! |