
|
|
Y型截止閥 |
|
J45H,J15Y/J65Y |
|
|
手動,電動,氣動 |
|
法蘭,焊接,螺紋 |
|
|
Y型 |
|
硬密封 |
|
|
150LB-2500LB |
|
DN15-200 |
|
|
WCB,鍛鋼,不銹鋼等 |
|
承質品牌 |
1、閥門設計與制造按API 623-2013、JIS E101和NB/T 47044-2014等的規定;
2、閥門試驗按API 598-2009等的規定;
3、結構長度按ASME B16.10-2009、JIS E101和NB/T 47044-2014等的規定,或按企標長度或用戶提供尺寸;
4、焊接坡口按ASEM B16.25-2012、GB/T 12224-2005、JB/T 3595-2002,NB/T 47044-2014和電力工業管理標準78DG等的規定或用戶提供尺寸;
5、壓力溫度額定值按ASME B16.34-2013等的規定。


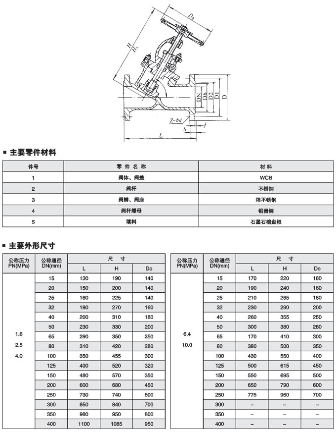
| 閥體 | WCB | WC1 | WC6 | WC9 |
| 閥蓋 | 25 | 15CrMoA | 12Cr1MoVA | 12Cr1MoVA |
| 支架 | WCB | WCB | WCB | WCB |
| WC1 | WC6 | WC9 | ||
| 閥瓣 | 25 | 15CrMoA | 12Cr1MoVA | 12Cr1MoVA |
| 閥桿 | 25Cr2MoV | 25Cr2MoV | 20Cr1Mo1V1A | 20Cr1Mo1V1A |
| 閥座 | 25 | 15Cr1MoA | 12Cr1MoVA | 12Cr1MoVA |
| 密封環 | 增強柔性石墨 | |||
| 填料 | 增強柔性石墨 | |||
| 閥桿螺母 | ZCuA110Fe3 | |||
主要材質零件
| 序號 | 零件名稱 | CStoASTM | AStoASTM | SStoASTM | |
| A105 | A182F22 | A182F304(L) | A182F316(L) | ||
| 1 | 閥體 | A105 | A182F22 | A182F304(L) | A182F316(L) |
| 2 | 閥瓣 | A276 420 | A276 304 | A276 304(L) | A276 316(L) |
| 3 | 閥桿 | A182 F6 | A182F304(L) | A182F316(L) | |
| 4 | 密封螺母 | A105 | A182F304 | A182F304(L) | A182F316(L) |
| 5 | 填料 | 柔性石墨 | PTFE | ||
| 6 | 密封圈 | F182F304L | A182F316(L) | ||
| 7 | 提升螺母 | A1942H | A1944 | A1948 | A1948M |
| 8 | 填料壓套 | A276 420 | A182 F304 | ||
| 9 | 填料壓板 | A216WCB | A351CF8 | ||
| 10 | 銷釘 | A276420 | A182F304 | ||
| 11 | 活節螺栓 | A193 B7 | A193B16 | A193B8 | A1983 B8M |
| 12 | 螺母 | A1942H | A1944 | A1948 | A1948M |
| 13 | 油嘴 | A105 | A182F22 | A182F304(L) | A182F316(L) |
| 14 | 閥桿螺母 | A276 F410 | |||
| 15 | 閥蓋 | A105 | A182F22 | A182F304(L) | A182F316(L) |
| 16 | 銘牌 | SS | |||
| 17 | 鎖緊螺母 | A1942H | A1944 | A1948 | A1948M |
| 18 | 手輪 | A197 | |||
| 適用介質 | 水、蒸汽、油品等 | 水、蒸汽、油品等 | 硝酸、醋酸等 | ||
| 適用溫度 | ~29~425 | ~29~550 | ~29~200 | ||


|
聲明:【Y型截止閥J45H,J15Y/J65Y】規格型號、結構尺寸由上海承質閥門制造有限公司提供,如何選擇適用的Y型截止閥J45H,J15Y/J65Y產品,使之在工藝控制中安全可靠、經濟適用,可致電我司銷售部門及技術部門,我們將在最短的時間內為您解答! |