
| 產品名稱: | 內螺紋針型閥 |
|
J13W |
|
|
手動 |
|
螺紋 |
|
|
熱鍛壓閥體 |
|
錐面密封 |
|
|
1.6MPa-32.0MPa |
|
DN6-40 |
|
|
碳鋼,不銹鋼等 |
|
承質品牌 |
設計制造:ANSI B16.34-1996
連接形式:NPT內螺紋連接;SW承插焊連接
結構特征:錐面密封;旋塞提升式
閥門檢驗和實驗:API STD 598-1996
材料:碳鋼按ASTM A105-1991
不銹鋼按ASTM A276-1992
當前針型閥廣泛應用于城建、化工、冶金、石油、制藥、食品、飲料、環保中。
J13W內螺紋針型閥工作壓力:1.6~32MPa(MPa)
工作溫度:≤425()
使用介質:水、油品、液化石油氣、蒸汽等。


|
零件名稱Part name |
閥桿、閥蓋Stem, Bonnet | 閥桿、閥瓣Stem, Disc | 填料Packing |
| J13W-16P |
鉻鎳不銹鋼 Cr,Ni Stainless steel |
鉻鎳不銹鋼 Cr,Ni Stainless steel |
PTFE、柔性石墨 PTEF,Soft graphite |
| J13W-160、J13W-40 |
優質碳鋼 High grade carbon steel |
優質碳鋼 High grade carbon steel |
|
型號 Type |
公稱壓力(MPa) Nominal Pressure |
試驗壓力PS(MPa)Test pressure |
工作壓力(MPa) Working Pressure |
工作溫度() Working Temperature |
適用介質 Suitable |
||
|
殼體 Shell |
密封(液) Seal |
密封(氣) Seal |
|||||
| J13W-16 | 1.6 | 2.4 | 1.76 | 0.6 | 1.6 | P≤540 |
液化石油氣水、酸、 蒸汽、油品等 Petroleum gas Water,Asic,Steam, Oil etc. |
| J13W40P | 4.0 | 6.0 | 4.4 | 0.6 | 4.0 | ||
| J13W-160 | 16.0 | 24.0 | 17.6 | 0.6 | 16.0 | C≤425 | |
| J13W-320P | 32.0 | 48.0 | 35.2 | 0.6 | 32.0 | ||
|
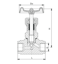
公稱直徑DN(mm) Nominal diameter |
管螺紋G Sourceioint |
尺寸Dimensions |
重量(Kg) Weight |
||||
| Do | L | H | H1 | d | |||
| 6 | 1/4 | 60 | 55 | 90 | 100 | 4 | 0.63 |
| 10 | 3/8 | 60 | 60 | 92 | 102 | 5 | 0.65 |
| 15 | 1/2 | 65 | 65 | 97 | 107 | 6 | 0.8 |
| 20 | 3/4 | 80 | 80 | 109 | 121 | 8 | 1.07 |
| 25 | 1 | 100 | 90 | 122 | 132 | 10 | 1.8 |
| 32 | 11/4 | 140 | 128 | 180 | 191 | 15 | 5.0 |
| 40 | 11/2 | 160 | 148 | 200 | 215 | 18 | 7.2 |

聲明:
本文中所有文字、數據、圖片均只適用于參考。需要查看更多的內螺紋針型閥J13W性能參數、結構尺寸參數、價格等詳情,或要求高質量印刷樣本,請聯系我們。
· 電話:18717746989
· 郵箱:sales@shczvalve.com