SD341X,SD343H伸縮蝶閥
SD341X/SD343H伸縮蝶閥具有自動補償管道熱脹冷縮方便裝卸的功能,使用于溫度在425℃以下,公稱壓力在1.6MPa以下的石油、化工、電力、造紙、給排水和市政建設等工業管道上作調節流量和載斷流體的最佳裝置。
| 產品名稱: | 伸縮蝶閥 | 產品型號: | SD341X/SD343H |
| 公稱通徑: | DN40~DN1200 | 閥座密封: | 橡膠密封或金屬硬密封 |
| 公稱壓力: | 0.6MPa~1.0MPa~1.6MPa | 連接方式: | 法蘭式 |
| 適用溫度: | -30ºC~+425ºC | 驅動方式: | 手動、蝸輪、電動、氣動、液動 |
| 閥體材質: | 鑄鐵、球墨鑄鐵、鑄鋼、不銹鋼 | 制造標準: | 國標GB、德國DIN、美國API、ANSI |
| 適用介質: | 空氣、水、蒸氣、煤氣、油品等 | 生產廠家: | 上海承質閥門制造有限公司 |
| 工作壓力(MPa) | 0.6 | 1.0、1.6、2.5 | ||
| 適用溫度(℃) | 橡膠密封≤80℃ | 適用溫度(℃) | 金屬硬密封≤425℃ | |
| 適用介質 | 水、污水、油品、空氣等 | 適用介質 | 水、蒸汽、污水、油品、空氣等 | |
| 材料 | 閥體 | 灰鑄鐵 | 灰鑄鐵、鑄鋼 | 球墨鑄鐵 |
| 蝶板 | 球墨鑄鐵(表面處理) | 球墨鑄鐵、不銹鋼 | 球墨鑄鐵 | |
| 閥桿 | 2Cr13 | 不銹鋼、碳素鋼 | 鉻不銹鋼 | |
| 公稱通徑 | DN(mm) | 50~2200 | ||
| 公稱壓力 | PN(MPa) | 0.6 | 1.0 | 1.6 |
| 試驗壓力 | 強度試驗 | 0.9 | 1.5 | 2.4 |
| 密封試驗 | 0.66 | 1.1 | 1.76 | |
| 氣密封試驗 | 0.6 | 0.6 | 0.6 | |
| 適用溫度 | ≤80℃~425℃ | |||
| 適用介質 | 空氣、水、蒸氣、煤氣、油品等。 | |||
| 驅動形式 | 手動、蝸桿蝸輪傳動、氣傳動、電傳動。 | |||
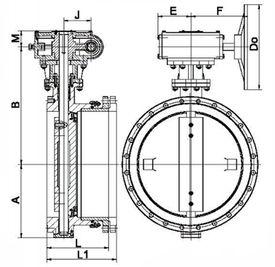
| DN | L | L1 max | A | B | E | F | J | M | Do |
| 50 | 160 | 172 | 83 | 120 | 90 | 205 | 83 | 115 | 200 |
| 65 | 160 | 172 | 89 | 145 | 90 | 205 | 83 | 115 | 200 |
| 80 | 180 | 195 | 98 | 158 | 90 | 205 | 83 | 115 | 200 |
| 100 | 195 | 215 | 110 | 170 | 90 | 205 | 83 | 115 | 200 |
| 125 | 205 | 225 | 123 | 182 | 90 | 205 | 83 | 115 | 200 |
| 150 | 205 | 225 | 140 | 210 | 90 | 205 | 83 | 115 | 200 |
| 200 | 218 | 238 | 170 | 238 | 90 | 205 | 83 | 115 | 200 |
| 250 | 233 | 258 | 195 | 270 | 90 | 205 | 83 | 134 | 250 |
| 300 | 248 | 268 | 222 | 300 | 90 | 205 | 83 | 134 | 250 |
| 350 | 278 | 303 | 252 | 330 | 120 | 265 | 141 | 159 | 250 |
| 400 | 298 | 323 | 285 | 368 | 120 | 265 | 141 | 159 | 250 |
| 450 | 311 | 336 | 310 | 402 | 185 | 250 | 115 | 163 | 250 |
| 500 | 330 | 355 | 337 | 438 | 185 | 250 | 115 | 163 | 315 |
| 600 | 350 | 375 | 393 | 490 | 245 | 400 | 145 | 185 | 315 |
| 700 | 364 | 395 | 450 | 558 | 245 | 400 | 145 | 185 | 315 |
| 800 | 415 | 445 | 515 | 625 | 310 | 460 | 191 | 220 | 315 |
| 900 | 435 | 475 | 560 | 685 | 310 | 460 | 191 | 220 | 400 |
| 1000 | 510 | 550 | 610 | 750 | 410 | 55 | 270 | 255 | 400 |
| 1200 | 590 | 630 | 825 | 880 | 410 | 55 | 270 | 255 | 400 |
| 1400 | 590 | 630 | 840 | 987 | 520 | 640 | 351 | 320 | 400 |
| 1600 | 626 | 660 | 960 | 1158 | 520 | 785 | 440 | 335 | 630 |
| 1800 | 670 | 710 | 1060 | 1258 | 520 | 640 | 351 | 320 | 400 |
| 2000 | 680 | 720 | 1165 | 1365 | 520 | 640 | 351 | 320 | 400 |
| 2200 | 700 | 740 | 1325 | 1470 | 520 | 640 | 351 | 320 | 400 |




|
聲明:【SD341X,SD343H伸縮蝶閥】規格型號、結構尺寸由上海承質閥門制造有限公司提供,如何選擇適用的SD341X,SD343H伸縮蝶閥產品,使之在工藝控制中安全可靠、經濟適用,可致電我司銷售部門及技術部門,我們將在最短的時間內為您解答! |