
| 產品名稱: | 電動對夾式軟密封蝶閥 | 產品型號: | D971X |
| 公稱通徑: | DN50~DN1000 | 閥座密封: | 丁青橡膠、聚四氟乙烯 |
| 公稱壓力: | 1.0Mpa~1.6MPa | 連接方式: | 對夾、法蘭 |
| 適用溫度: | -20ºC~+150ºC | 驅動方式: | 手動、蝸輪、電動、氣動 |
| 閥體材質: | 鑄鐵、球墨鑄鐵、鑄鋼、不銹鋼 | 制造標準: | 國標GB、德國DIN、美國API、ANSI |
| 適用介質: | 水、油、氣體、粉體、液體 | 生產廠家: | 上海承質閥門制造有限公司 |
| 設計標準 | GB/T2238-1989 |
| 法蘭連接尺寸 | GB/T9113.1-2000;GB/T9115.1-2000;JB78 |
| 結構長度 | GB/T12221-1989 |
| 壓力試驗 | GB/T13927-2000;JB/T9092-1999 |
| 公稱通徑DN(mm) | 50~1200 |
| 公稱壓力 | PN1.0、1.6MPa |
| 法蘭標準 | JB/T79、GB/T9113、HG20594-97 |
| 連接形式 | 法蘭式、對夾式 |
| 閥板形式 | 垂直板式 |
| 流量特性 | 近似快開型 |
| 動作范圍 | 0~90° |
| 泄露量 | 按GB/T4213-92,為Kv值的10-4 |
| 基本誤差 | ±2.5% |
| 回差 | ±2.5% |
| 死區 | 1% (可調) |
| 可調范圍 | 50:1 |
| 配置執行機構 | 可配PSQ、HQ、UNIC、361RS、JO等系列角行程電動執行機構 |
| 控制方式 | 開關到位燈(開關兩位控制)、智能調節(4~20mA模擬量信號控制) |
| 執行器類別 | 引進型RDK系列執行器參數 | 引進型3610R系列執行器參數 | 引進型HQ系列執行器參數 |
| 電源電壓 | 標準:220V AC單相 可選:110V AC 單相、380/440V AC 三相、24V/110V/220V AC | ||
| 輸出力矩 | 50N·M~2000N·M | 50N·M~1500N·M | 50N·M~3000N·M |
| 動作范圍 | 0~90° 0~360° | 0~90° | 0~90°、0°~270°可選 |
| 控制方式 | 開關到位燈(開關兩位控制)、無源觸點信號、1/5K電位計、智能調節(4~20mA模擬量信號控制) | ||
| 動作時間 | 15秒/30秒/60秒 | 10秒/15秒/30秒 | 18S~112S |
| 保護裝置 | 過熱保護 | 過載保護 | 內置過熱保護、過載保護 |
| 環境溫度 | -30°~60° | -30°~60° | -20℃~+70℃ |
| 手動操作 | 同附帶手柄操作 | 同附帶手柄操作 | 機械離合機構,配手輪操作 |
| 機械限位 | 電氣、機械二重限位 | 電氣、機械二重限位 | 2個外部調整螺栓 |
| 防護等級 | IP65 | IP55 | IP65、IP67、可定制IP68 |
| 防爆等級 | 無防爆 | ExdⅡ BT4 | ExdⅡ BT4,ExdⅡ CT6 |
| 位置測量 | 可選裝開關或電位計 | 比例控制單元 | 電位計、比例控制單元 |
| 驅動電機 | 8W/E | AC可逆電機 | 鼠籠式異步電機 |
| 進線接口 | PE1/2〞進線線鎖 | 2-PF 1/2〞進線線鎖 | 2個 PF 3/4” |
| 殼體材料 | 鋁合金 | 鋼,鋁合金 | 鋼,鋁合金,鋁青銅,聚碳酸脂 |
| 外涂層 | 干粉,環氧聚酯,具有超強防腐功能 | ||
| 零件名稱 | 材料 |
| 閥體 | 球墨鑄鋼、鑄鋼、合金鋼、不銹鋼 |
| 蝶板 | 灰鑄鐵、球墨鑄鋼、鑄鋼、不銹鋼及特殊材料 |
| 密封圈 | 各種橡膠、聚四氟 |
| 閥桿 | 2Cr13、不銹鋼 |
| 填料 | O型圈、柔性石墨 |
| 公稱通徑DN(mm) | DN50~1200 | ||||
| 公稱壓力 | PN(MPa) | 0.6 | 1.0 | 1.6 | 2.5 |
| 試驗壓力 | 強度試驗 | 0.9 | 1.5 | 2.4 | 3.75 |
| 密封試驗 | 0.66 | 1.1 | 1.76 | 2.75 | |
| 低壓氣密試驗 | 0.5~0.7 | ||||
| 適用介質 | 空氣、水、污水、蒸氣、煤氣、油品等 | ||||
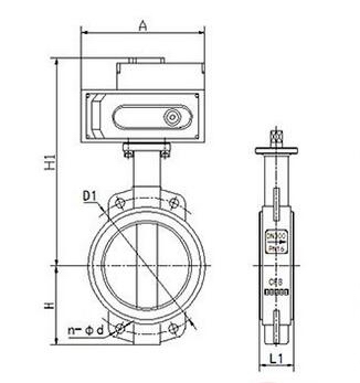
| DN | L | H | H1 | A | B | ФD | ||
| 0.6MPa | 1.0MPa | 1.6MPa | ||||||
| 50 | 43 | 77 | 443 | 125 | 125 | 88 | 99 | 99 |
| 65 | 46 | 85 | 463 | 125 | 125 | 108 | 118 | 118 |
| 80 | 46 | 95 | 483 | 125 | 125 | 124 | 132 | 132 |
| 100 | 52 | 105 | 498 | 125 | 125 | 144 | 156 | 156 |
| 125 | 56 | 129 | 682 | 325 | 245 | 174 | 184 | 184 |
| 150 | 56 | 132 | 736 | 325 | 245 | 199 | 211 | 211 |
| 200 | 60 | 165 | 800 | 325 | 245 | 254 | 266 | 266 |
| 250 | 68 | 197 | 895 | 363 | 313 | 309 | 319 | 319 |
| 300 | 78 | 234 | 956 | 363 | 313 | 363 | 370 | 370 |
| 350 | 78 | 283 | 1029 | 363 | 313 | 413 | 429 | 429 |
| 400 | 102 | 325 | 1103 | 363 | 313 | 463 | 480 | 480 |
| 450 | 114 | 369 | 1186 | 465 | 469 | 518 | 530 | 548 |
| 500 | 127 | 404 | 1280 | 546 | 431 | 568 | 582 | 609 |
| 600 | 154 | 470 | 1321 | 546 | 556 | 667 | 682 | 720 |
| 700 | 165 | 503 | 1431 | 546 | 556 | 772 | 794 | 794 |
| 800 | 190 | 571 | 1542 | 546 | 556 | 878 | 901 | 901 |
| 900 | 203 | 621 | 1800 | 617 | 706 | 978 | 1001 | 1001 |
| 1000 | 216 | 702 | 2363 | 632 | 706 | 1078 | 1112 | 1112 |
| 1200 | 254 | 818 | 2583 | 632 | 706 | 1295 | 1328 | 1328 |
|
聲明:【D971X電動對夾式軟密封蝶閥】規格型號、結構尺寸由上海承質閥門制造有限公司提供,如何選擇適用的D971X電動對夾式軟密封蝶閥產品,使之在工藝控制中安全可靠、經濟適用,可致電我司銷售部門及技術部門,我們將在最短的時間內為您解答! |